*זמין כמעגל שלם או כסיגמנט
*חו"ג פלדת אל חלד Stainless Steel
*קוטר חיצוני מקסימלי 500 מ"מ
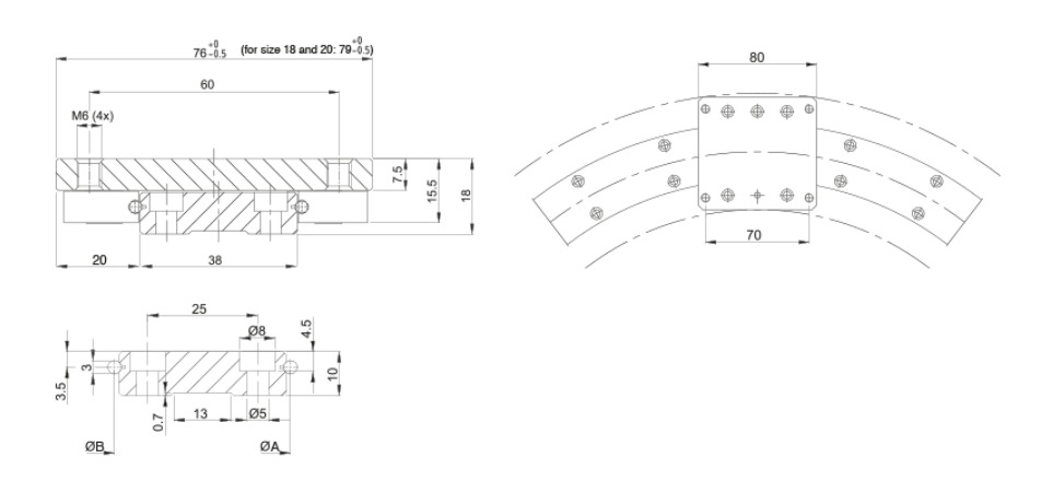
נתונים למיסב צריח רדיאלי מסוט סט RPM

| B [mm] |
A [mm] |
עומס [N] |
סוג |
|---|---|---|---|
| 51 | 224 | 720 | RPM 3-10/18 |
| 73 | 243 | 720 | RPM 3-12/20 |
| 179 | 342 | 720 | RPM 3-22/30 |
| 280.5 | 440.5 | 720 | RPM 3-32/40 |
| 381.5 | 539 | 720 | RPM 3-42/50 |